受付時間:平日9時~17時
売却マイページ
譲渡No.9900

横浜市中区の重飲食の居抜き売却物件の案件情報 黄金町駅徒歩3分!重飲食居抜き物件!

案件概要

最寄り駅

黄金町 (京急本線)
徒歩3

現賃料 / 坪単価

- / 11,101

面積 坪(㎡)

11.26坪37.21m2

希望譲渡額

240万円

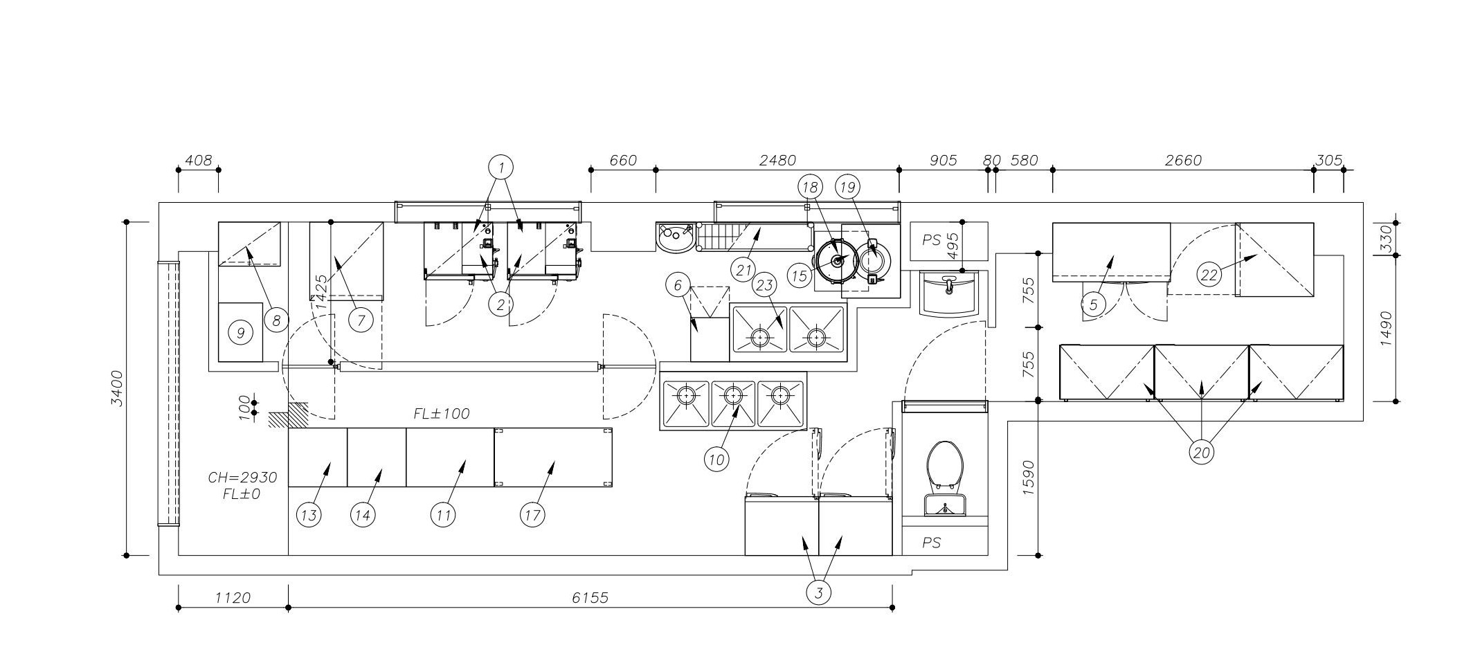
前業態

重飲食

募集終了しました

案件詳細情報

所在地

神奈川県 横浜市中区

最寄り駅

黄金町 (京急本線) 徒歩3分

現賃料 / 坪単価

- / 11,101円

階数 / 建物

地上1階 / 地上4階建

面積 坪(㎡)

11.26坪37.21m2

構造

鉄骨造

保証金・敷金

-

契約期間

3年

礼金

-

希望譲渡額

240万円

共益費 / 管理費

-

償却

-

更新料

-

情報公開日(更新日)

2024-05-28

現テナントの基本情報

業態

重飲食

営業年数

-

営業時間

-

席数

-

コメント

-

この案件の取り扱い会社

募集終了しました

別の案件を探す
相談0円 居抜きで売却するなら、早めのご相談がおすすめです! 詳しく見る